The thermal system of the Smart Energy Building

The main devices that constitute the thermal system of the Smart Energy Building are:

  • a geothermal heat pump;
  • an air source heat pump;
  • two solar thermal collectors;
  • an air handling unit.

The geothermal heat pump, also called “ground source heat pump (GSHP)”, is a system used to heat and/or cool a building transferring heat from or to the ground (characterized by a nearly constant temperature during the year), respectively during winter or summer months. Consequently, GSHPs are more efficient than “air source heat pumps (ASHPs)” because they take advantage of the relatively constant ground temperature. Heat exchangers for specific applications with ground water or geothermal closed loop can be adopted in GSHP systems. In open loop systems, well or surface body water is used as the heat exchange fluid that circulates directly through the heat pump system; on the other hand, closed systems consist of underground continuous piping loops filled with a water and anti-freeze solution which constitutes the working fluid that is used to transfer heat from/to the ground to/from the geothermal heat pump, this last being typically installed inside the building. Closed loop systems can be: horizontal, vertical or pond/lake. Horizontal loops are a cost-effective solution for residential installations, in particular for new buildings where sufficient land is available; vertical loops are preferable for commercial buildings and schools, whereas pond/lake systems are installed when an adequate body of water is available.

The GSHP plant installed in the Smart Energy Building is characterized by a close-loop vertical configuration. Eight probes are buried about 120 m deep in the soil. The geothermal heat pump is a Clivet WSHN-XEE2 MF 14.2 having a rated thermal/cooling power equal to 46/44.3 kW and a COP (Coefficient Of Performance) at full load equal to 4.4. The dimensions of the heat pump are 900x1700x1870 mm and the weight is about 400 kg.

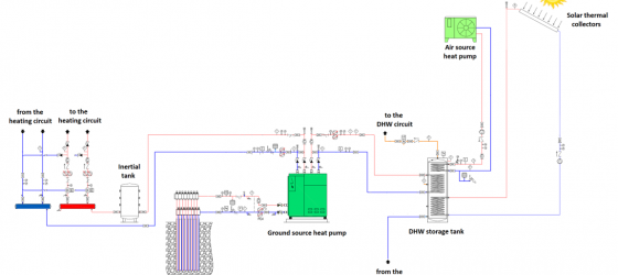
In the figure the scheme of the thermal system that provides the building heating and Domestic Hot Water (DHW) services is reported. The geothermal heat pump produces hot water that is used both for heating and DHW purposes.

Impianto termico
The thermal system of the Smart Energy Building

Regarding the heating system, the hot water produced by the geothermal heat pump is conveyed to an inertial tank (having a volume of 500 litres) and to the collector (painted in red in Fig. 1) that feeds the heating circuit (composed of a pipeline network and several two-pipe fan-coils and radiators). The hot water exiting the geothermal heat pump is also used to produce DHW. Indeed the geothermal heat pump is hydraulically connected to the DHW storage tank (having a volume of 500 litres) that is equipped with other two heat exchangers, respectively connected to the ASHP and to the solar thermal collectors installed on the roof of the building. Consequently, three different devices (geothermal heat pump, air source heat pump and thermal solar collectors) are used to produce DHW. In particular, the DHW is preferably produced using the solar source that is free. When the solar source is not available or is very low, the geothermal heat pump and/or the ASHP are used. In particular, when the building cooling system is on (from the beginning of June to the end of September), the geothermal heat pump contributes to the DHW production by conveying to the DHW storage tank a part of the water flow coming from the building cooling circuit. On the other hand, when the building heating system is on (from the beginning of November to the mid of April), the geothermal heat pump contributes to the DHW production by conveying to the DHW storage tank a part of its hot water flow production. In the remaining months, when the building needs neither to be heated nor to be cooled, the DHW is produced by the thermal solar collectors and the ASHP, since the geothermal heat pump remains off.

The ASHP is a Clivet WSAN-XIN 51 PRM characterized by a rated thermal power of 11.5 kW and a COP equal to 3.4. The dimensions of the heat pump are 445x1087x1230 mm and the weight is about 170 kg.

The two vacuum collectors (Buderus type) of the forced circulation solar system have a total surface of 3.84 m2. They are south-oriented with 15° tilt angle.

As aforesaid, the Smart Energy Building is also equipped with an air handling unit (AHU), installed on the roof, which performs functions such as circulating, cleaning, and humidifying of air within the building; the AHU, a Clivet Zephir3 CPAN-XHE3, is a complete packaged primary air supply system with thermodynamic energy recovery. The dimensions of the AHU are 2465x1735x1810 mm and the weight is about 1070 kg. The AHU is characterized by a rated thermal power of 21 kW and a rated cooling power of 38.7 kW; its maximum absorbable power is 35.3 kW.

Last update